Alarm Clock Schematic Diagram


Shock Alarm Circuit

Shock Alarm Circuit

Digital Clock Alarm Based On The Lm8560

Digital Clock Alarm Based On The Lm8560

How To Make A Simple Circuit Diagram Of A Digital Clock Quora

How To Make A Simple Circuit Diagram Of A Digital Clock Quora


Xw 6290 Cheap Digital Time Clock With Alarm Circuit By Lm8560

Xw 6290 Cheap Digital Time Clock With Alarm Circuit By Lm8560

Electrical Systems Projectile Alarm Clock

Electrical Systems Projectile Alarm Clock

Lm8365 Digital Clock Circuit Board Eleccircuit Com

Lm8365 Digital Clock Circuit Board Eleccircuit Com

24 Hour Digital Clock And Timer Circuit Engineering Projects

24 Hour Digital Clock And Timer Circuit Engineering Projects

Gammon Forum Electronics Microprocessors Alarm Clock From

Gammon Forum Electronics Microprocessors Alarm Clock From

Build Programmable Time Based Switches Using A Real Time Clock

Build Programmable Time Based Switches Using A Real Time Clock

Retro Gamer Clock Arduino Project Hub

Retro Gamer Clock Arduino Project Hub

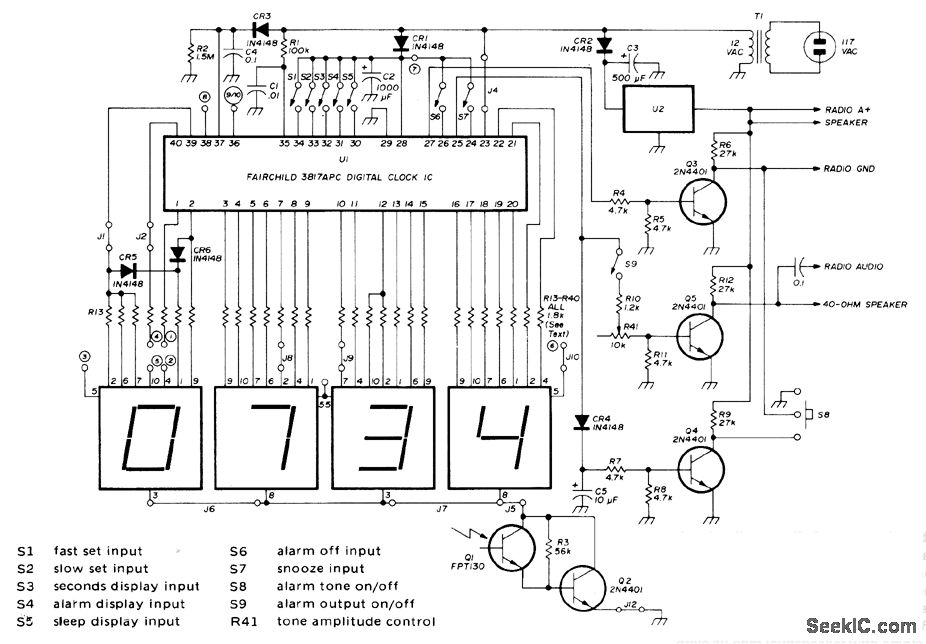
Radio Alarm Clock

Radio Alarm Clock

Digital Alarm Alarm Control Control Circuit Circuit Diagram

Digital Alarm Alarm Control Control Circuit Circuit Diagram