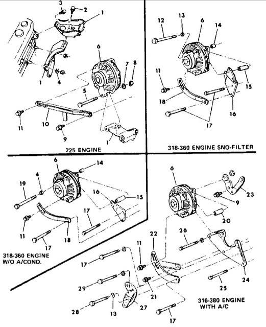
Altermator 318 Dodge Engine Diagram


Motor 360 Dodge Wiring Diagram Diagram Base Website Wiring Diagram

Motor 360 Dodge Wiring Diagram Diagram Base Website Wiring Diagram

Reinstalling Steering Column Help Id Part Dodge Diesel Diesel

Reinstalling Steering Column Help Id Part Dodge Diesel Diesel

2008 Dodge Magnum Engine Diagram Diagram Base Website Engine

2008 Dodge Magnum Engine Diagram Diagram Base Website Engine


Altermator 318 Dodge Engine Diagram A3 Wiring Diagram

Altermator 318 Dodge Engine Diagram A3 Wiring Diagram

Wanted 318 Sanden Ac Compressor Brackets For A Bodies Only

Wanted 318 Sanden Ac Compressor Brackets For A Bodies Only

1979 Dodge Ramcharger Wiring Diagram Hamra Arabians De

1979 Dodge Ramcharger Wiring Diagram Hamra Arabians De

318 Without Ac Need Diagram Of Alt Mounting For A Bodies Only

318 Without Ac Need Diagram Of Alt Mounting For A Bodies Only

6275ae John Deere 322 Alternator Wiring Diagram Wiring Library

6275ae John Deere 322 Alternator Wiring Diagram Wiring Library

1994 2001 Dodge Ram Pickup Trucks

1994 2001 Dodge Ram Pickup Trucks

1977 Dodge Sportsman Motorhome Wiring Diagram Wiring Diagram

1977 Dodge Sportsman Motorhome Wiring Diagram Wiring Diagram

Altermator 318 Dodge Engine Diagram

Altermator 318 Dodge Engine Diagram

Wrg 3746 07 Dodge Nitro Engine Diagram Front

Wrg 3746 07 Dodge Nitro Engine Diagram Front