Alternator Wiring Diagram Ford 95 F150


5f164c0 Alternator Wiring Diagram Ford 95 F150 Wiring Library

5f164c0 Alternator Wiring Diagram Ford 95 F150 Wiring Library

2004 Ford F350 Wiring Harness Diagrams Diagram Base Website

2004 Ford F350 Wiring Harness Diagrams Diagram Base Website

Mustang Faq Wiring Engine Info

Mustang Faq Wiring Engine Info


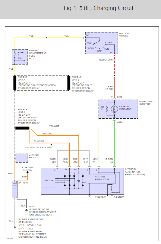
1996 Ford F 150 Alternator Wiring Diagram Diagram Base Website

1996 Ford F 150 Alternator Wiring Diagram Diagram Base Website

Chevrolet Corvette Questions Alternator Wiring To Vehicle

Chevrolet Corvette Questions Alternator Wiring To Vehicle

1996 Ford F 150 Alternator Wiring Diagram Diagram Base Website

1996 Ford F 150 Alternator Wiring Diagram Diagram Base Website

Not Charging How Do I Teel If My Alternator Is Bad Or If Its My

Not Charging How Do I Teel If My Alternator Is Bad Or If Its My

A78 94 Ford F 150 Alternator Wiring Diagram Wiring Library

A78 94 Ford F 150 Alternator Wiring Diagram Wiring Library

2004 Ford F350 Wiring Harness Diagrams Diagram Base Website

2004 Ford F350 Wiring Harness Diagrams Diagram Base Website

Mustang Faq Wiring Engine Info

Mustang Faq Wiring Engine Info

Ford F 250 Alternator Wiring Wiring Diagram

Ford F 250 Alternator Wiring Wiring Diagram

Mustang Faq Wiring Engine Info

Mustang Faq Wiring Engine Info