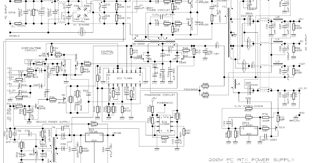
Atx Psu Wiring Diagram


Compaq Pc Wiring Diagram Auto Electrical Wiring Diagram

Compaq Pc Wiring Diagram Auto Electrical Wiring Diagram

Power Supply Management Solution For Pci Express X16 Graphics 150w

Power Supply Management Solution For Pci Express X16 Graphics 150w

Atx Power Supply Connector Pinout Diagram Pinouts Ru

Atx Power Supply Connector Pinout Diagram Pinouts Ru


Simple Atx Psu Tester Electronics

Simple Atx Psu Tester Electronics

Diy Lab Bench Power Supply Trybotics

Diy Lab Bench Power Supply Trybotics

Iios Turn On Off Any Pc With An Atx Psu And Infrared Remote

Iios Turn On Off Any Pc With An Atx Psu And Infrared Remote

Xbox 360 Power Supply Wiring Diagram Avec Images Electronique

Xbox 360 Power Supply Wiring Diagram Avec Images Electronique

Power Converters Power Supply Unit Atx Circuit Diagram Wiring

Power Converters Power Supply Unit Atx Circuit Diagram Wiring

Atx Computer Bench Top Power Supply Step By Step Youtube

Atx Computer Bench Top Power Supply Step By Step Youtube

Apple Mac Pro Psu J3 Connector Pinout Diagram Pinoutguide Com

Apple Mac Pro Psu J3 Connector Pinout Diagram Pinoutguide Com

Atx Psu Wiring Diagram Tuli Gone Salon Tres Nl

Atx Psu Wiring Diagram Tuli Gone Salon Tres Nl

Power Supply Power Supply Pinout

Power Supply Power Supply Pinout