
B w tv circuit diagram. Hello guys in this video i opened a 20 years old blackwhite television. Lg lcd tv lg 32lc7r 32lc51 32lc52 lp78a ch circuit diagram pdf rar. Circuit cellar magazine electronique et loisirs magazine. 19lv61k lcd tv pdf manual download.
Toshiba lcd tv circuit diagram. Lg lcd tv chassis la92g 47lh41 ue service manual pdf. Erics circuit has been demonstrated in two of my previous videos. Free online library on electronics order a schematic diagram and get it today.
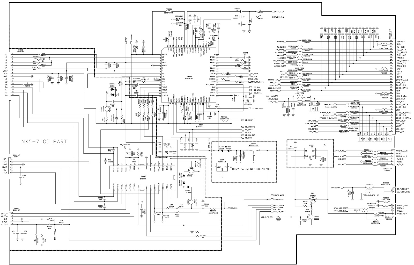
Browse items by group manufacturer electronics consumer electronics tv there are 20653 files in this category tv conventional crt lcd projectors tft plasma big screen hdtv home theater service manuals repair tips. Covering a wide range of categories in electronics like audio musichomegarden relatedcomputer hardwareradiorobotics etc to name a few. Samsung cx 5312w chassis p88mt circuit diagrams schematics manualrar. Heres a block diagram of a digital lcd tv and if possible you may print it out for future use.
Apex tvs schematic diagrams and service manuals. To see the schematic diagram more clearly dont forget to select the full hd mode for viewing. Samsung cw 5314x chassis p 64smh sh1 circuit diagrams schematics manualpdf. Many of these difficulties arise.
Circuit voltages and other troubleshooting clues. Figure 1 shows a simplified horizontal output stage. You will need a high speed. Lg ld33b circuit diagram service manual pdfrar.
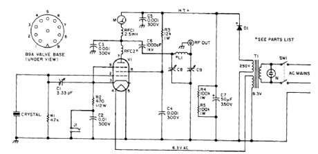
Tv transmitter circuit diagram edit remote control light circuit diagram using 555 timer gallery of electronic circuits and projects providing lot of diy circuit diagrams robotics microcontroller. Search on the page. This site contains lots of free electronic circuits schematics do it yourself diy circuit diagrams for hobbyists students professionals etc. Plasma tv repair membership site.
Lg ld83a chassis 22ls4d lcd tv sm circuit diagram pdfrar. Lg lcd32lb75 lb75 zb lb76 lb76 zd circuit diagram pdfrar. I guess those of you who are in the tv repair line would like it.