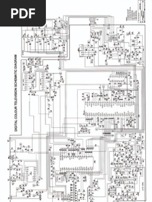
China Crt Tv Kit Circuit Diagram Pdf


14 Inch China Multi Colour Tv Circuit Diagram

14 Inch China Multi Colour Tv Circuit Diagram

China Tv Diagram China China Mini 12v Lcd Tv Lc863324a La76810

China Tv Diagram China China Mini 12v Lcd Tv Lc863324a La76810

8821 8823 8873 8893 8895 Ic China Made Colour Tv Kit Diagram Youtube

8821 8823 8873 8893 8895 Ic China Made Colour Tv Kit Diagram Youtube


Https Www Kontron Com Downloads Manuals Come Bbl6 User Guide Rev 2 0 2017 08 10 Pdf Product 140809

Https Www Kontron Com Downloads Manuals Come Bbl6 User Guide Rev 2 0 2017 08 10 Pdf Product 140809

Walton Tv Circuit Diagram Diagram Base Website Circuit Diagram

Walton Tv Circuit Diagram Diagram Base Website Circuit Diagram

China Tv Kit Diagram Apps On Google Play

China Tv Kit Diagram Apps On Google Play

China Tv Kit Diagram Apps On Google Play

China Tv Kit Diagram Apps On Google Play

Lf 9453 Power Supply Smps Schematic Circuit Diagram Using Buz91

Lf 9453 Power Supply Smps Schematic Circuit Diagram Using Buz91

Ijms January 2018 Browse Articles

Ijms January 2018 Browse Articles

Raspberry Pi Wikipedia

Raspberry Pi Wikipedia

Led Lcd Tv Universal Main Board Panel Settings

Led Lcd Tv Universal Main Board Panel Settings

14 34 Inch Universal Tv Circuit Diagram

14 34 Inch Universal Tv Circuit Diagram