Complete The Schematic Diagram Of Photosynthesis Below


A Low Tech Bioreactor System For The Enrichment And Production Of

A Low Tech Bioreactor System For The Enrichment And Production Of

In Silico Analysis Of The Regulation Of The Photosynthetic

In Silico Analysis Of The Regulation Of The Photosynthetic

Integrative Analysis Of Reference Epigenomes In 20 Rice Varieties

Integrative Analysis Of Reference Epigenomes In 20 Rice Varieties


Capillary Driven Desalination In A Synthetic Mangrove Science

Capillary Driven Desalination In A Synthetic Mangrove Science

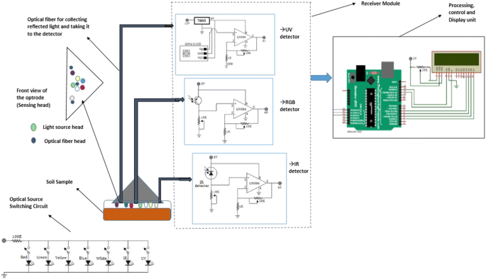
Vis Nir Based Optical Sensor System For Estimation Of Primary

Vis Nir Based Optical Sensor System For Estimation Of Primary

Solved Complete The Summary Map Of Photosynthesis Below B

Solved Complete The Summary Map Of Photosynthesis Below B

Chloroplast Sec14 Like 1 Cpsfl1 Is Essential For Normal

Chloroplast Sec14 Like 1 Cpsfl1 Is Essential For Normal

Perspective On The Response Of Marine Calcifiers To Global Warming

Perspective On The Response Of Marine Calcifiers To Global Warming

Krebs Cycle Definition Products And Location Biology Dictionary

Krebs Cycle Definition Products And Location Biology Dictionary

Challenges And Implication Of Full Solar Spectrum Driven

Challenges And Implication Of Full Solar Spectrum Driven

Catalysts Free Full Text Hcl Removal Using Calcined Ca Mg Al

Catalysts Free Full Text Hcl Removal Using Calcined Ca Mg Al

Https Www Quia Com Files Quia Users Glysdi Coe Energylivingsystems

Https Www Quia Com Files Quia Users Glysdi Coe Energylivingsystems