D16y7 Wiring Harnes Diagram


Wiring Harness Conversions For Honda Acura Engine Swaps

Wiring Harness Conversions For Honda Acura Engine Swaps

92 00 Honda Engine Swap Wiring Guide Vtec And Non Vtec Honda Tech Honda Forum Discussion

92 00 Honda Engine Swap Wiring Guide Vtec And Non Vtec Honda Tech Honda Forum Discussion

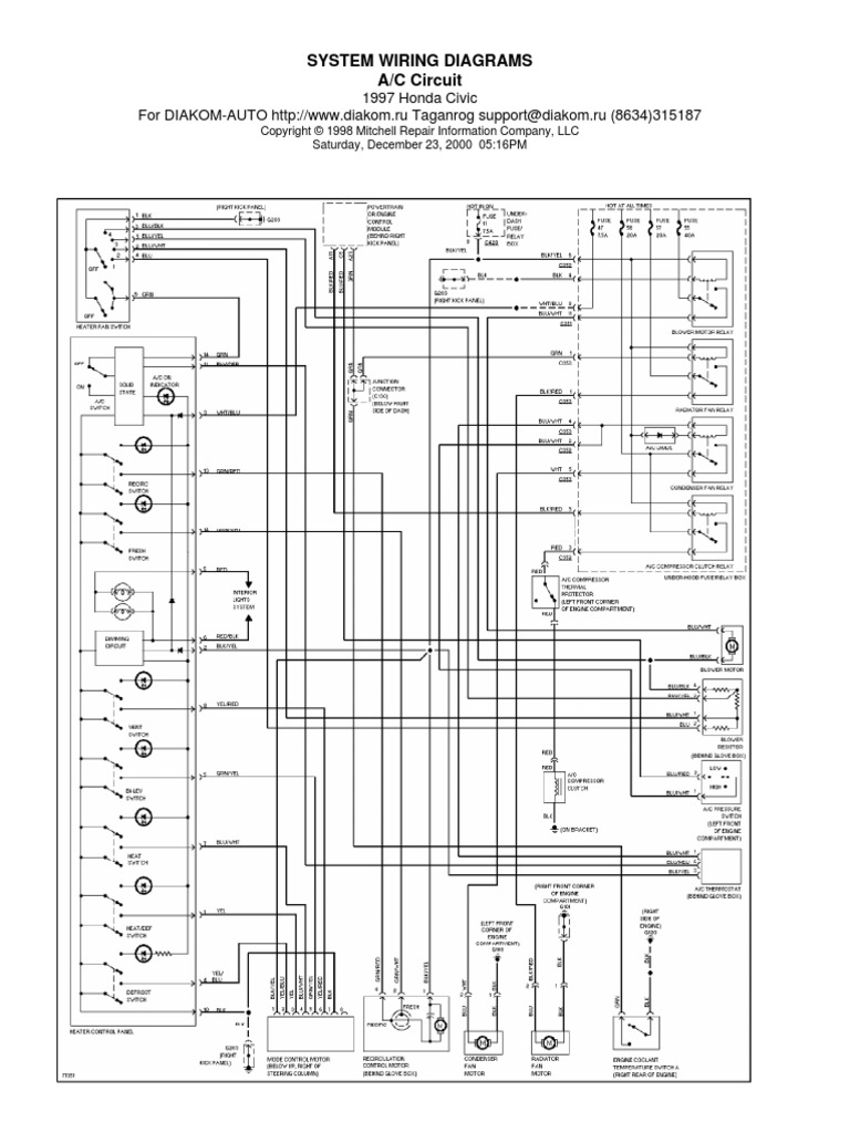
Honda Civic 97 Wiring Diagram Private Transport Automotive Industry

Honda Civic 97 Wiring Diagram Private Transport Automotive Industry


Fuse Box 1997 Nissan Maxima Diagram Base Website Nissan Maxima Affinitydiagram Cheapandchic Lesguides Fr

Fuse Box 1997 Nissan Maxima Diagram Base Website Nissan Maxima Affinitydiagram Cheapandchic Lesguides Fr

Honda Civic Fuse Box Diagrams Honda Tech

Honda Civic Fuse Box Diagrams Honda Tech

Crx Wiring Harness Many Light28 Salon Tres Nl

Crx Wiring Harness Many Light28 Salon Tres Nl

Bsa Wiring Schematics Wiring Diagram

Bsa Wiring Schematics Wiring Diagram

Obd2 B Series Engine Harness Diagram Giant Fuse6 Klictravel Nl

Obd2 B Series Engine Harness Diagram Giant Fuse6 Klictravel Nl

D16y8 Ecu Pinout Lupa Dego24 Vdstappen Loonen Nl

D16y8 Ecu Pinout Lupa Dego24 Vdstappen Loonen Nl

Civic Integra Msd External Coil Conversion Importnut Net

Civic Integra Msd External Coil Conversion Importnut Net

D16 Wiring Harness Diagram Kobe Ahok Thedotproject Co

D16 Wiring Harness Diagram Kobe Ahok Thedotproject Co

3 Wire To 2 Wire Iacv Conversion For 96 98 Civic Ha Motorsports

3 Wire To 2 Wire Iacv Conversion For 96 98 Civic Ha Motorsports