Daewoo Brake Diagram


Daewoo Lanos Brake Pads 1 6 Litre 1997 To 2003 Front Db1347

Daewoo Lanos Brake Pads 1 6 Litre 1997 To 2003 Front Db1347

Daewoo Musso Manual Part 229

Daewoo Musso Manual Part 229

Brake Pad Set Disc Brake For Daewoo Suzuki Tico Kly3 F8c F8cv Cara

Brake Pad Set Disc Brake For Daewoo Suzuki Tico Kly3 F8c F8cv Cara


Daewoo Nubira Manual Part 49

Daewoo Nubira Manual Part 49

Daewoo Matiz 2003 Year Manual Part 137

Daewoo Matiz 2003 Year Manual Part 137

Daewoo Leganza Nubira Chevrolet Astra Zafira Brake Pad Fmsi 7667

Daewoo Leganza Nubira Chevrolet Astra Zafira Brake Pad Fmsi 7667

96284392 Daewoo 96284392 Brake Disc For Chevrolet Daewoo

96284392 Daewoo 96284392 Brake Disc For Chevrolet Daewoo

Daewoo Brake Pad Set Disc Brake Gdb3365 4813008152 4813008151

Daewoo Brake Pad Set Disc Brake Gdb3365 4813008152 4813008151

Brake Disc Mintex Mdc1454 For Daewoo Lanos Hatchback Alvadi Ee

Brake Disc Mintex Mdc1454 For Daewoo Lanos Hatchback Alvadi Ee

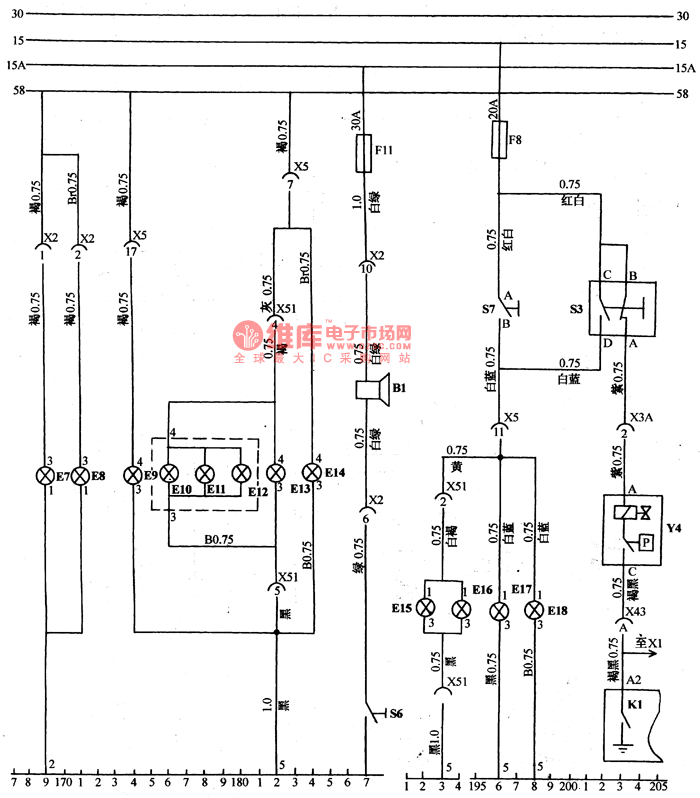
The Lighting And Brake Lamp Circuit Of Daewoo Racer

The Lighting And Brake Lamp Circuit Of Daewoo Racer

Brake Disc Brembo 09 7820 20 For Daewoo Nubira Klaj J100 Alvadi Ee

Brake Disc Brembo 09 7820 20 For Daewoo Nubira Klaj J100 Alvadi Ee

492fd7 Daewoo G25e 3 Service Manual Wiring Library

492fd7 Daewoo G25e 3 Service Manual Wiring Library