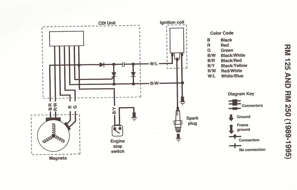
Dirt Bike Wiring Diagram


Pit Bike 5 Pin Cdi Wiring Diagram

Pit Bike 5 Pin Cdi Wiring Diagram

Suzuki Cdi Wiring Diagram Tuli Ahok Thedotproject Co

Suzuki Cdi Wiring Diagram Tuli Ahok Thedotproject Co

255b7 Indian Dirt Bike Wiring Diagram Wiring Library

255b7 Indian Dirt Bike Wiring Diagram Wiring Library


Amazon Com Annpee Complete Electrics Stator Coil Cdi Wiring

Amazon Com Annpee Complete Electrics Stator Coil Cdi Wiring

591 Jikan Complete Electric Start Engine Wiring Harness Cdi Coil

591 Jikan Complete Electric Start Engine Wiring Harness Cdi Coil

Ixa6hi3lyt Wsm

Ixa6hi3lyt Wsm

Full Wiring Harness Loom Engine Kit Dirt Bike Atomik Thumpstar

Full Wiring Harness Loom Engine Kit Dirt Bike Atomik Thumpstar

Drc Products

Drc Products

5cf1e8d Motorcycle 2 Stroke Wiring Diagram Wiring Library

5cf1e8d Motorcycle 2 Stroke Wiring Diagram Wiring Library

Honda Dirt Bike Wiring Diagram Diagram Base Website Wiring Diagram

Honda Dirt Bike Wiring Diagram Diagram Base Website Wiring Diagram

Kpx Dirt Bike Wiring Diagram Wiring Diagram

Kpx Dirt Bike Wiring Diagram Wiring Diagram

Ff496 125cc Pit Bike Kick Start Wiring Diagram Wiring Library

Ff496 125cc Pit Bike Kick Start Wiring Diagram Wiring Library