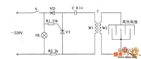
Electronic Rat Trap Circuit Diagram


Best Home Pest Control For Roaches Safe Pest Control Rat

Best Home Pest Control For Roaches Safe Pest Control Rat

Shock Electric Mouse Trap Mouse Trap Homemade Idea Mouse Trap

Shock Electric Mouse Trap Mouse Trap Homemade Idea Mouse Trap

A Microcontroller Operated Device For The Generation Of Liquid

A Microcontroller Operated Device For The Generation Of Liquid


Where Can I Find Circuit For Electronic Rat Trap

Where Can I Find Circuit For Electronic Rat Trap

High Electric Trap Mouse At Home Easy Make With Small Transformer

High Electric Trap Mouse At Home Easy Make With Small Transformer

How To Make Electric Mouse Rat Trap High Voltage Youtube

How To Make Electric Mouse Rat Trap High Voltage Youtube

Humane Tubular Trap Remote Trap Monitoring System And Method And

Humane Tubular Trap Remote Trap Monitoring System And Method And

Index 1746 Circuit Diagram Seekic Com

Index 1746 Circuit Diagram Seekic Com

Frontiers Unbiased Sampling For Rodents And Other Small Mammals

Frontiers Unbiased Sampling For Rodents And Other Small Mammals

Electric Mouse Rat Trap Executioner Youtube

Electric Mouse Rat Trap Executioner Youtube

Rat Trap Stickers Teepublic

Rat Trap Stickers Teepublic

How To Get Rid Of Mice In The House 2020 Updated Guide

How To Get Rid Of Mice In The House 2020 Updated Guide