Engine Subaru Wiring Diagram


Mitsubishi Sj10g Wiring Diagram Diagram Base Website Wiring

Mitsubishi Sj10g Wiring Diagram Diagram Base Website Wiring

1582061914000000

1582061914000000

4 Cylinder Boxer Engine Diagram Wiring Diagram Official

4 Cylinder Boxer Engine Diagram Wiring Diagram Official


Vw Boxer Engine Diagram Hamra Arabians De

Vw Boxer Engine Diagram Hamra Arabians De

Subaru Forester S10 2002 Service Manual Auto Repair Manual Forum

Subaru Forester S10 2002 Service Manual Auto Repair Manual Forum

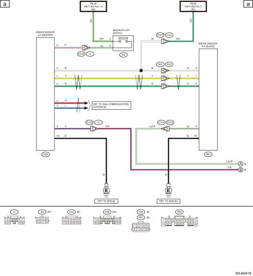
Subaru Legacy Service Manual Blind Spot Detection Rear Cross

Subaru Legacy Service Manual Blind Spot Detection Rear Cross

F525 Engine Diagram Hamra Arabians De

F525 Engine Diagram Hamra Arabians De

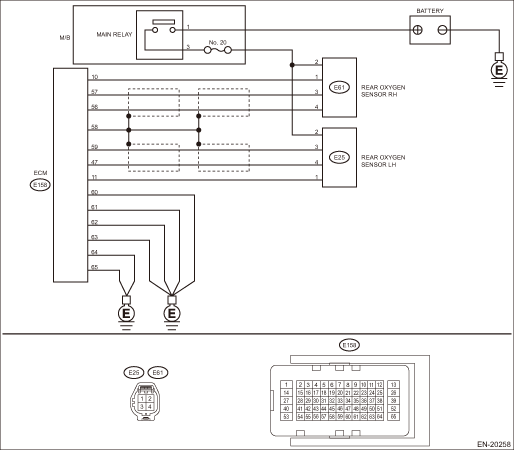
Subaru Legacy Service Manual Dtc P0037 A F O2 Heater Control

Subaru Legacy Service Manual Dtc P0037 A F O2 Heater Control

Subaru Legacy Service Manual Dtc P0333 Knock Combustion

Subaru Legacy Service Manual Dtc P0333 Knock Combustion

2002 Subaru Wire Harness Diagram Wiring Diagram

2002 Subaru Wire Harness Diagram Wiring Diagram

Bulldog Utv Wiring Diagram Diagram Base Website Wiring Diagram

Bulldog Utv Wiring Diagram Diagram Base Website Wiring Diagram

Subaru 3 Plug Ecu Pinout

Subaru 3 Plug Ecu Pinout