Evinrude 15 Hp Electric Start Wiring Diagram


1996 Evinrude Wiring Diagram Diagram Base Website Wiring Diagram

1996 Evinrude Wiring Diagram Diagram Base Website Wiring Diagram

Outboard Motor Wiring Diagram Further Yamaha 40 Outboard Wiring

Outboard Motor Wiring Diagram Further Yamaha 40 Outboard Wiring

Zc 9919 Johnson Outboard Starter Diagram Wiring Diagram

Zc 9919 Johnson Outboard Starter Diagram Wiring Diagram

This website has johnson evinrude and most other brands but the link below is just to the omc diagrams.

Evinrude 15 hp electric start wiring diagram. This will be simplified as the fuel pump is different on the other side of the motor connected by the black rubber tube and it uses a different power pack under the flywheel so does not obstruct wiring viewing in this photo. 25 35 hp electric start remote 1982 83. 18 25 hp electric start 1973 76. 1974 johnson 15 hp wiring i wonder if your motor has had some jerry rigging done to it since my motor 1975 99 hp evinrude which as far as i know is supposed to be identical to your motor except the carburetor does not have a powerpack.

Mastertech marine evinrude johnson outboard wiring diagrams size. It does have two coils. 20 30 hp early 90s. 55 hp electric shift with alternator 1969.

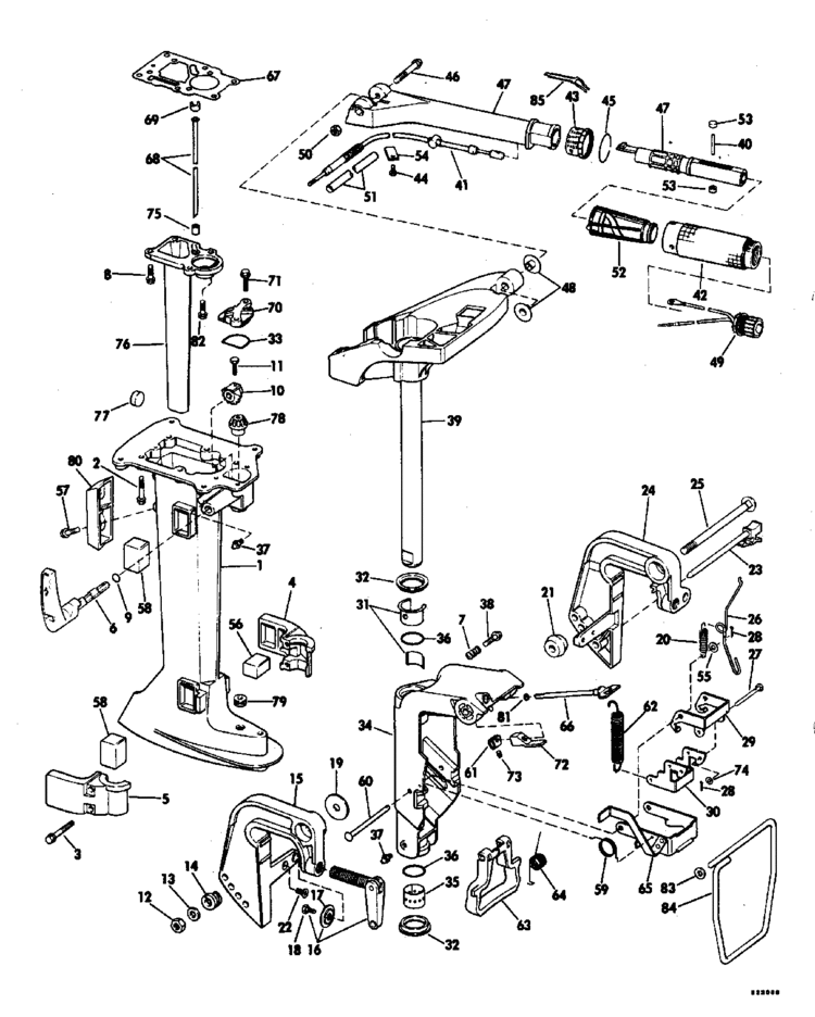
Evinrude johnson outboard parts drawings within 15 hp evinrude parts diagram image size 560 x 663 px and to view image details please click the image. A wiring diagram is a simplified standard photographic representation of an electrical circuit. 60 70 hp 3 cyl 1978 84. It shows the parts of the circuit as streamlined shapes as well as the power and signal links in between the tools.

Collection of evinrude ignition switch wiring diagram. So i thought i would share with everyone because i was looking for a diagram for months. Honestly we have been noticed that 15 hp evinrude parts diagram is being one of the most popular topic right now. The photo below is off a 1992 electric start but the connections are the same from the start of this series in 1974.

My wife and i converted this 1972 25 hp evinrude outboard to a push button start. So that we tried to get some terrific 15 hp evinrude parts diagram image to suit your needs. It shows the parts of the circuit as streamlined shapes and the power and also signal links in between the gadgets. Hey everyone some one put me onto this web site and i found my diagram.

For a first time doing this it worked out very well and was really easy. 800 x 600 px source. Collection of evinrude wiring diagram outboards. Right here are a few of the leading drawings we get from different sources we wish these photos will work to you and with any luck extremely relevant to what you desire about the evinrude boat motor wiring diagrams is.

A wiring diagram is a streamlined conventional photographic representation of an electric circuit. 1st link the wiring diagrams. Choose your year and model. 40 50 hp with ufi ignition.

Outboard electric start with rectifier wiring diagram honda gx160 electric start wiring diagram march 2 2019 april 12 2020 wiring diagram by anna r. I hope you enjoyed the video.


Orig Johnson 40 Hp Outboard Motor Rds 23 Series Wiring Diagram

Orig Johnson 40 Hp Outboard Motor Rds 23 Series Wiring Diagram

Https Pdfhall Com Download Evinrude 99 15 Hp Outboards Hisse Et Oh 5b708eef097c476a6f8b4662 Html

Https Pdfhall Com Download Evinrude 99 15 Hp Outboards Hisse Et Oh 5b708eef097c476a6f8b4662 Html

15 Hp Evinrude Parts Diagram On 15 Images Wiring Diagram Schematics

15 Hp Evinrude Parts Diagram On 15 Images Wiring Diagram Schematics

Download Evinrude Repair Manual 1957 2014 Models

Download Evinrude Repair Manual 1957 2014 Models

Wrg 3209 Evinrude Wiring Harness

Wrg 3209 Evinrude Wiring Harness

Bec6fec 65 Hp Mercury Outboard Motor Wiring Diagram Wiring Resources

Bec6fec 65 Hp Mercury Outboard Motor Wiring Diagram Wiring Resources

No Start On 35hp Evinrude Neutral Safety Switch Issues Youtube

No Start On 35hp Evinrude Neutral Safety Switch Issues Youtube

Upgrade Your Outboard Motor To Charge Your Battery The Tingy Sailor

Upgrade Your Outboard Motor To Charge Your Battery The Tingy Sailor

1978 Johnson Outboard Motor Wiring Diagram 4 6 9 9 15 Hp Ebay

1978 Johnson Outboard Motor Wiring Diagram 4 6 9 9 15 Hp Ebay