Ford Taurus 30 V6 Engine Diagram


2000 Taurus 3 0l 24v Engine Diagram Ford Forum Enthusiast

2000 Taurus 3 0l 24v Engine Diagram Ford Forum Enthusiast

Ford 3 0l Duratec Engine Servicing Tips

Ford 3 0l Duratec Engine Servicing Tips

Part 2 Tune Up And Torque Specifications 1996 1999 3 0l Ohv Ford

Part 2 Tune Up And Torque Specifications 1996 1999 3 0l Ohv Ford


I Need Diagram For 2002 Taurus 3 0 Serpentine Belt

I Need Diagram For 2002 Taurus 3 0 Serpentine Belt

2001 Ford Taurus Belt Diagram Questions Answers With Pictures

2001 Ford Taurus Belt Diagram Questions Answers With Pictures

Ford Taurus 1999 2007 Fuse Box Diagram Auto Genius

Ford Taurus 1999 2007 Fuse Box Diagram Auto Genius

File 2005 Ford Taurus Se Engine Jpg Wikimedia Commons

File 2005 Ford Taurus Se Engine Jpg Wikimedia Commons

Ford Taurus Questions Location To Change O2 Sensor Bank 2 On

Ford Taurus Questions Location To Change O2 Sensor Bank 2 On

Ford Taurus 3 0 Engine Diagram Poli Www Seblock De

Ford Taurus 3 0 Engine Diagram Poli Www Seblock De

Ford Taurus Fourth Generation Wikipedia

Ford Taurus Fourth Generation Wikipedia

The Ford Ranger 3 0l Vulcan V 6

The Ford Ranger 3 0l Vulcan V 6

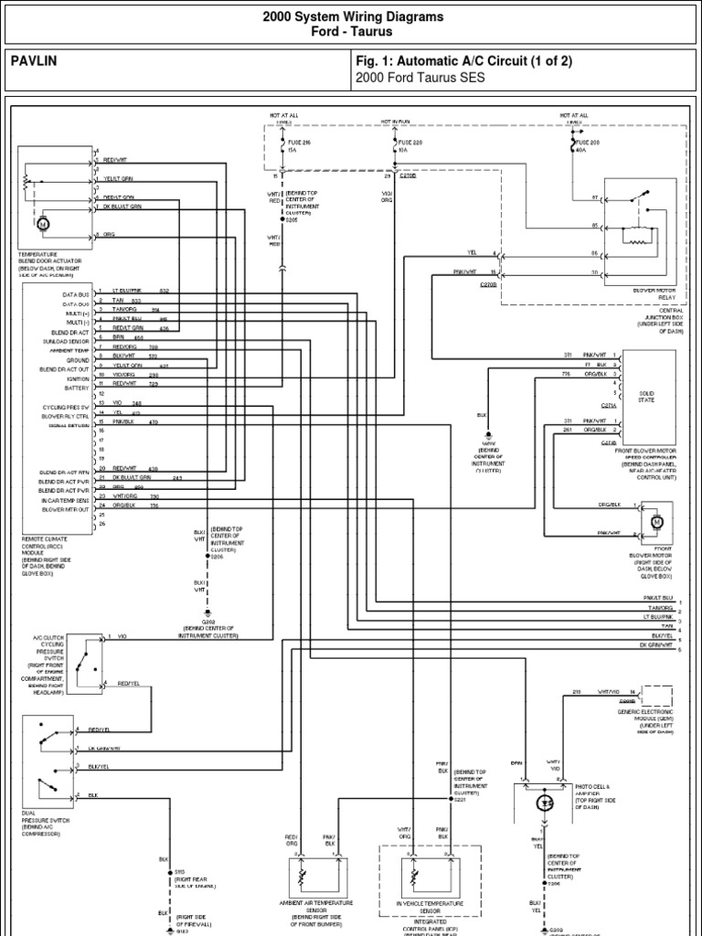
Ford Taurus 2000 Wiring Pdf Ford Taurus Rear Wheel Drive Vehicles

Ford Taurus 2000 Wiring Pdf Ford Taurus Rear Wheel Drive Vehicles