Functional Block Diagram Engineering


Functional Flow Block Diagram Coffee Machine

Functional Flow Block Diagram Coffee Machine

Functional Block Diagram For Tpa6211a1 Q1

Functional Block Diagram For Tpa6211a1 Q1

Rf Circuit Design Ch4 2 Lna Pa And Broadband Amplifier

Rf Circuit Design Ch4 2 Lna Pa And Broadband Amplifier


Architecture Functional Diagram

Architecture Functional Diagram

Closed Loop System And Closed Loop Control Systems

Closed Loop System And Closed Loop Control Systems

Functional Block Diagram For Lm5160 Q1

Functional Block Diagram For Lm5160 Q1

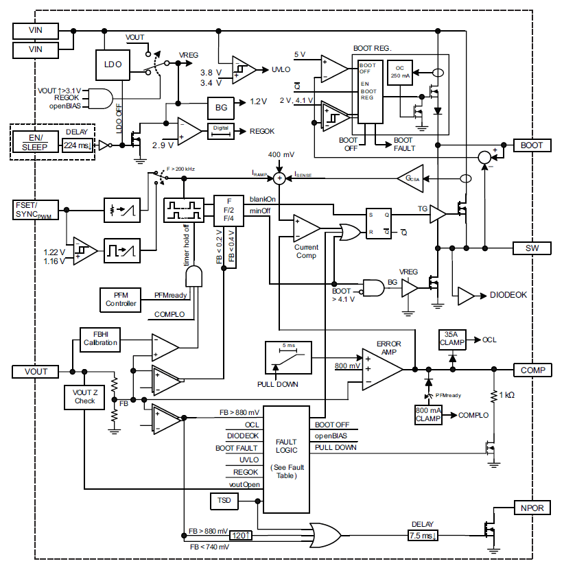
A8591 Wide Input Voltage 2 A Buck Regulator Family With Low Iq Mode

A8591 Wide Input Voltage 2 A Buck Regulator Family With Low Iq Mode

Eval Cn0415 Ardz Shield Analog Devices Wiki

Eval Cn0415 Ardz Shield Analog Devices Wiki

Engineering Block Diagrams Universal Diagramming Area

Engineering Block Diagrams Universal Diagramming Area

Functional Block Diagram Representation Of A 40 Gb S Rem

Functional Block Diagram Representation Of A 40 Gb S Rem

Functional Block Diagram Of Proposed Model Iii Modeling Of 3ɸ

Functional Block Diagram Of Proposed Model Iii Modeling Of 3ɸ

Functional Block Diagram Of The Ad7794 Download Scientific Diagram

Functional Block Diagram Of The Ad7794 Download Scientific Diagram