Fuse Box In Hyundai Elantra


2007 Hyundai Elantra Fusebox Radio And Foglights

2007 Hyundai Elantra Fusebox Radio And Foglights

Fuse Box Hyundai Elantra Xd 1 6 911102d0010110190485 B Parts

Fuse Box Hyundai Elantra Xd 1 6 911102d0010110190485 B Parts

Hyundai Elantra 2001 2006 Fuse Box Location And Diagram Youtube

Hyundai Elantra 2001 2006 Fuse Box Location And Diagram Youtube


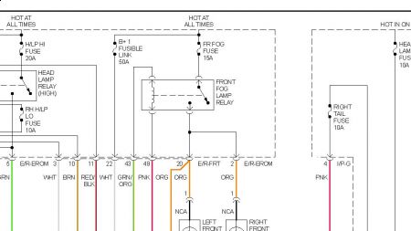
2007 Elantra Fuse Box Wiring Diagram

2007 Elantra Fuse Box Wiring Diagram

Hyundai Elantra 2014 2016 Fuse Box Diagram Auto Genius

Hyundai Elantra 2014 2016 Fuse Box Diagram Auto Genius

Hyundai Tucson Fuse Panel Description Do It Yourself

Hyundai Tucson Fuse Panel Description Do It Yourself

2004 Hyundai Fuse Box Wind Liar Salon Tres Nl

2004 Hyundai Fuse Box Wind Liar Salon Tres Nl

Hyundai Elantra 2000 Fuse Box Block Circuit Breaker Diagram

Hyundai Elantra 2000 Fuse Box Block Circuit Breaker Diagram

13 Hyundai Elantra Fuse Box 3018000 Ebay

13 Hyundai Elantra Fuse Box 3018000 Ebay

1b71 Fuse Box Hyundai Elantra 2010 Wiring Resources

1b71 Fuse Box Hyundai Elantra 2010 Wiring Resources

Used Fuse Box Hyundai Elantra Hd 2009 954001d110 Be Forward

Used Fuse Box Hyundai Elantra Hd 2009 954001d110 Be Forward

2011 Hyundai Elantra Brake Light Fuse Location

2011 Hyundai Elantra Brake Light Fuse Location