Honeywell 2 Port Valve Wiring Diagram


Central Heating Controls Wiring Diagrams Diagram Base Website Wiring Diagrams Phasediagram Abelliauto It

Central Heating Controls Wiring Diagrams Diagram Base Website Wiring Diagrams Phasediagram Abelliauto It

Kygov8 Bippzxm

Kygov8 Bippzxm

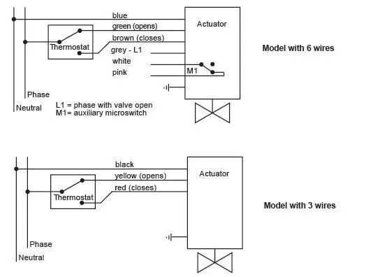
3 Port Valve Wiring Diagram Wiring Diagram Data

3 Port Valve Wiring Diagram Wiring Diagram Data


Valemo 3 Port Motorised Diverter Zone Valve 22mm 3 Wires Version Ac 230v V33c3 A30 Amazon Co Uk Diy Tools

Valemo 3 Port Motorised Diverter Zone Valve 22mm 3 Wires Version Ac 230v V33c3 A30 Amazon Co Uk Diy Tools

Taco 571 Zone Valve Wiring Diagram Honeywell 5 Wire Zone Valve Wiring Diagram Weil Mclain Boiler Wiring Diagram Dome Freeappsforkids Co Uk

Taco 571 Zone Valve Wiring Diagram Honeywell 5 Wire Zone Valve Wiring Diagram Weil Mclain Boiler Wiring Diagram Dome Freeappsforkids Co Uk

Ry 5921 Honeywell Underfloor Heating Wiring Diagram Download Diagram

Ry 5921 Honeywell Underfloor Heating Wiring Diagram Download Diagram

Https Salus Controls Com Files Sbmv2228 Pdf

Https Salus Controls Com Files Sbmv2228 Pdf

Motorised Valves Diywiki

Motorised Valves Diywiki

92d8ad Honeywell Central Heating Wiring Diagram Wiring Library

92d8ad Honeywell Central Heating Wiring Diagram Wiring Library

Tempstar Heat Pump Wiring Diagram Style Ph5542zaka Diagram Base Website Style Ph5542zaka Freebodydiagram Nuovoteatroverdi It

Tempstar Heat Pump Wiring Diagram Style Ph5542zaka Diagram Base Website Style Ph5542zaka Freebodydiagram Nuovoteatroverdi It

Zone Valve Wiring Manuals Installation Instructions Guide To Heating System Zone Valves Zone Valve Installation Inspection Repair Guide

Zone Valve Wiring Manuals Installation Instructions Guide To Heating System Zone Valves Zone Valve Installation Inspection Repair Guide

Ae Q15 3 Wire Two Way Motorized Ball Valve 220v 240v Ac 24v Ac 110v 120v Ac Multiple Sizes Avaialble Valve Cap Valve Manifoldvalve Pulse Aliexpress

Ae Q15 3 Wire Two Way Motorized Ball Valve 220v 240v Ac 24v Ac 110v 120v Ac Multiple Sizes Avaialble Valve Cap Valve Manifoldvalve Pulse Aliexpress