Honeywell R8222d Wiring Diagram


Honeywell St82d1004 Time Delay Relay W Dpdt Switching 24v

Honeywell St82d1004 Time Delay Relay W Dpdt Switching 24v

E5dc Honeywell Relay R8222d Wiring Diagram Digital Resources

E5dc Honeywell Relay R8222d Wiring Diagram Digital Resources

How To Wire A Thermostat To A Relay Youtube

How To Wire A Thermostat To A Relay Youtube


Honeywell Home R8222 1 7 8 In 24 V Single Pole Double Thread

Honeywell Home R8222 1 7 8 In 24 V Single Pole Double Thread

78 Sportster Wiring Diagram Diagram Base Website Wiring Diagram

78 Sportster Wiring Diagram Diagram Base Website Wiring Diagram

R8239b1076 Honeywell R8239b1076 50 Va Fan Center W Dpdt

R8239b1076 Honeywell R8239b1076 50 Va Fan Center W Dpdt

Diagram Based Honeywell Relay R8222d1014 Wiring Diagram 5

Diagram Based Honeywell Relay R8222d1014 Wiring Diagram 5

Honeywell Fcu Thermostat Wiring Diagram

Honeywell Fcu Thermostat Wiring Diagram

R8222d1014 Honeywell General Purpose Relay Dpdt 24v Amre Supply

R8222d1014 Honeywell General Purpose Relay Dpdt 24v Amre Supply

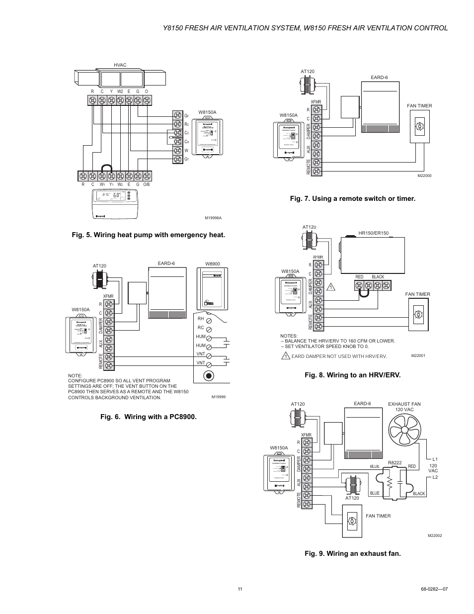
System Fan Heat Auto Am Honeywell Y8150 User Manual Page 11 12

System Fan Heat Auto Am Honeywell Y8150 User Manual Page 11 12

St82d1004 Honeywell St82d1004 Time Delay Relay W Dpdt Switch

St82d1004 Honeywell St82d1004 Time Delay Relay W Dpdt Switch

Https Customer Honeywell Com Request Cfm Form 68 0237

Https Customer Honeywell Com Request Cfm Form 68 0237