Hybrid Engine Diagram


2 972 How Hybrid Electric Vehicles Work

2 972 How Hybrid Electric Vehicles Work

Explore The Hybrid Electric Vehicle Multimode Reference

Explore The Hybrid Electric Vehicle Multimode Reference

What Are Hybrid Cars Quora

What Are Hybrid Cars Quora


Electric Motor Drive Apparatus Hybrid Vehicle With The Same And

Electric Motor Drive Apparatus Hybrid Vehicle With The Same And

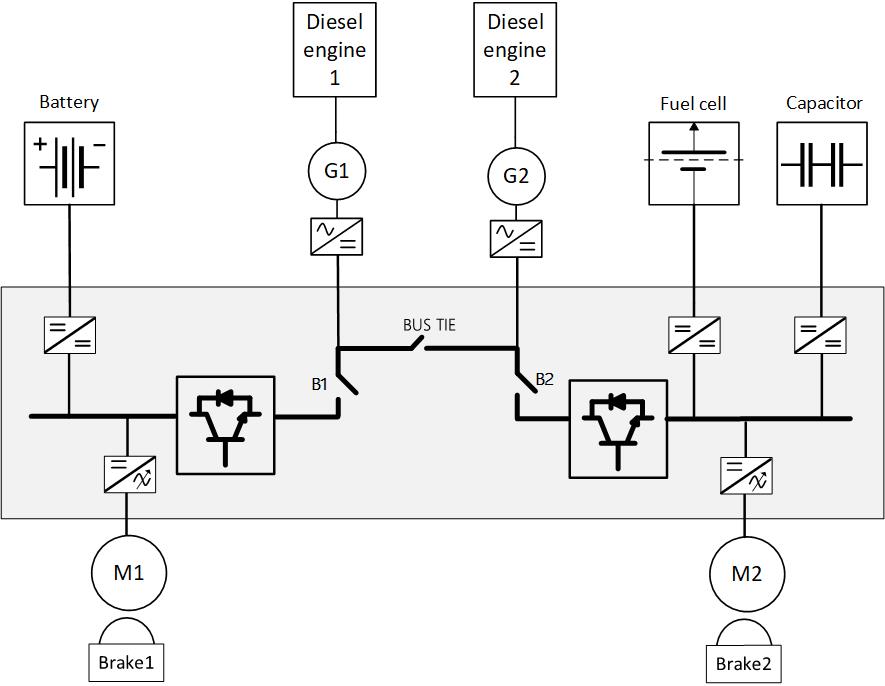
Hybrid Power Lab Imt Ntnu

Hybrid Power Lab Imt Ntnu

Schematic Diagram Of An Air Hybrid Engine With An Air Starter

Schematic Diagram Of An Air Hybrid Engine With An Air Starter

No 2560 The First Hybrid Automobile

No 2560 The First Hybrid Automobile

Hev Types

Hev Types

Hybrid Electric Vehicle Block Diagram

Hybrid Electric Vehicle Block Diagram

Integrated Motor Assist Wikipedia

Integrated Motor Assist Wikipedia

Schematic Hybrid Car Diagram

Schematic Hybrid Car Diagram

Ac77ba9 2012 Prius Engine Fuse Diagram Wiring Library

Ac77ba9 2012 Prius Engine Fuse Diagram Wiring Library