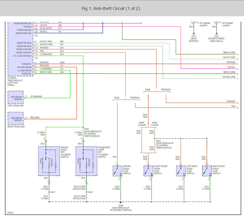
Keyles Entry Wiring Diagram


Toyota Central Locking Wiring Diagram Wiring Diagram

Toyota Central Locking Wiring Diagram Wiring Diagram

D7a5cf4 Car Keyless Entry System Wiring Diagram Wiring Library

D7a5cf4 Car Keyless Entry System Wiring Diagram Wiring Library

Keyless Entry System Central Door Lock Wiring Diagram Gone Fuse8

Keyless Entry System Central Door Lock Wiring Diagram Gone Fuse8


0202t Passive Keyless Entry Pke User Manual Manual Pdf Xilor

0202t Passive Keyless Entry Pke User Manual Manual Pdf Xilor

Pke 801c Keyless Entry System With Alarm User Manual Kingtronic Rf

Pke 801c Keyless Entry System With Alarm User Manual Kingtronic Rf

Astrosafari Com Adding Oem Keyless Entry

Astrosafari Com Adding Oem Keyless Entry

Hyundai Owners Help Me Choose A Remote Locking System Team Bhp

Hyundai Owners Help Me Choose A Remote Locking System Team Bhp

Dodge Ram Keyless Entry Module Location

Dodge Ram Keyless Entry Module Location

Mazda6 Owner S Manual

Mazda6 Owner S Manual

Gb 9250 Scytek Car Alarm Wiring Diagram Schematic Wiring

Gb 9250 Scytek Car Alarm Wiring Diagram Schematic Wiring

Universal Car Remote Control Central Kit Door Lock Locking Keyless

Universal Car Remote Control Central Kit Door Lock Locking Keyless

Chevrolet Keyless Entry Wiring Diagram Diagram Base Website Wiring

Chevrolet Keyless Entry Wiring Diagram Diagram Base Website Wiring