L297 L298 Stepper Motor Driver Schematic


Block Diagram Of The L297 Stepper Motor Controller Download

Block Diagram Of The L297 Stepper Motor Controller Download

Motor Driver L298 Schematic

Motor Driver L298 Schematic

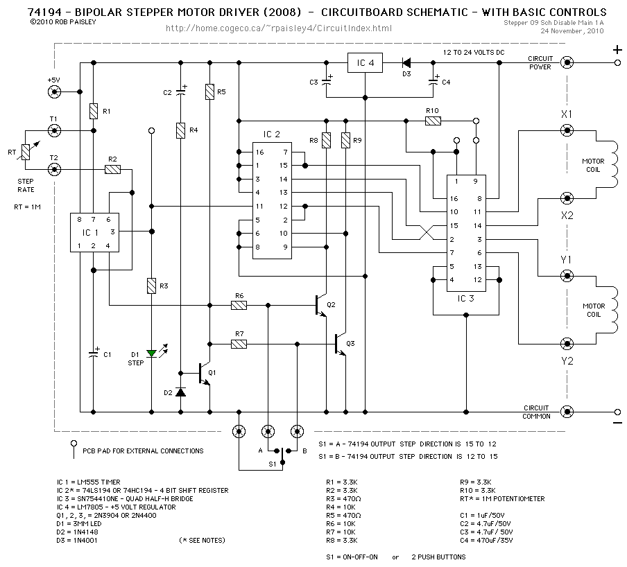
Bipolar Stepper Driver Generators Powersupplycircuit Circuit

Bipolar Stepper Driver Generators Powersupplycircuit Circuit


Https Encrypted Tbn0 Gstatic Com Images Q Tbn 3aand9gcq Rwizgcnvhrgfbf5fhcp1g6ys9klhlqai1dt Tcjyhjfspbb Usqp Cau

Https Encrypted Tbn0 Gstatic Com Images Q Tbn 3aand9gcq Rwizgcnvhrgfbf5fhcp1g6ys9klhlqai1dt Tcjyhjfspbb Usqp Cau

Diy L297 L298n Stepper Motor Driver Controller Youtube

Diy L297 L298n Stepper Motor Driver Controller Youtube

Easy To Build Cnc Mill Stepper Motor And Driver Circuits 6 Steps

Easy To Build Cnc Mill Stepper Motor And Driver Circuits 6 Steps

Bipolar Stepper Motor With L297 And L298 Youspice

Bipolar Stepper Motor With L297 And L298 Youspice

Stepper Motor Controller L297 L298n Microdrivers

Stepper Motor Controller L297 L298n Microdrivers

Bipolar Stepper Controller Using The Couple L297 L6203 Upto 5a

Bipolar Stepper Controller Using The Couple L297 L6203 Upto 5a

L297 W R E

L297 W R E

L297 L298 Stepper Motor Drivers For Mac Zonespro S Diary

L297 L298 Stepper Motor Drivers For Mac Zonespro S Diary

L297 298 Stepper Driver

L297 298 Stepper Driver