Lg Dvd Power Supply Circuit Diagram


Zn 9873 Dvd Diagram Wiring Diagram

Zn 9873 Dvd Diagram Wiring Diagram

No Power In Lg Tv Repaired Electronicsrepairfaq Com

No Power In Lg Tv Repaired Electronicsrepairfaq Com

Notes On The Troubleshooting And Repair Of Compact Disc Players

Notes On The Troubleshooting And Repair Of Compact Disc Players


How Does A Switching Power Supply Work 1 Schematic Explanation

How Does A Switching Power Supply Work 1 Schematic Explanation

Dvd Smps For Local Dvd Players Output 12v 5v 3 3v

Dvd Smps For Local Dvd Players Output 12v 5v 3 3v

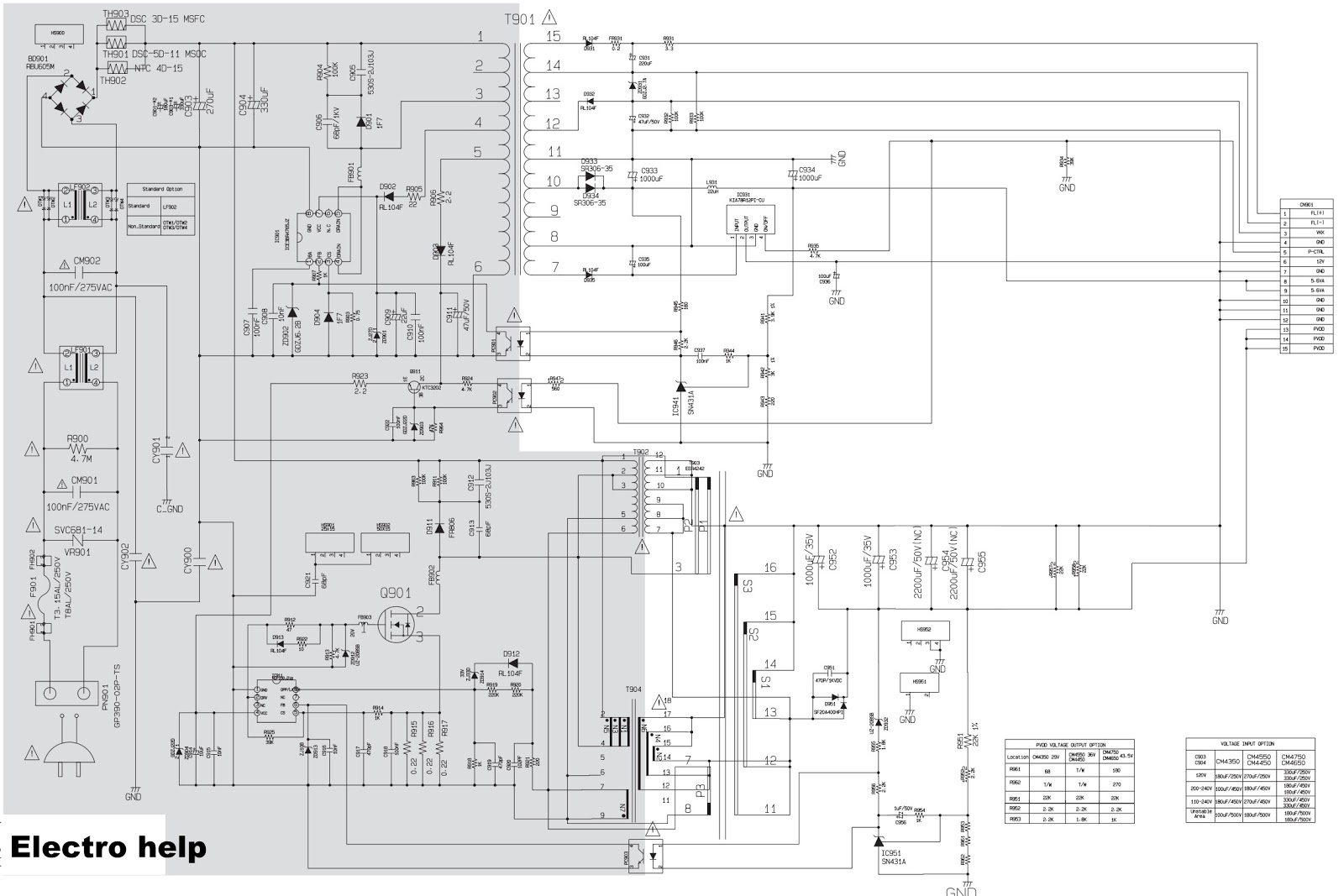
Electro Help Dvd Player Power Supply Circuits And Troubleshooting

Electro Help Dvd Player Power Supply Circuits And Troubleshooting

Diagram Based Blu Ray Player Circuit Diagram Completed Diagram

Diagram Based Blu Ray Player Circuit Diagram Completed Diagram

Tv Service Repair Manuals Schematics And Diagrams

Tv Service Repair Manuals Schematics And Diagrams

Electro Help Dvd Player Power Supply Circuits And Troubleshooting

Electro Help Dvd Player Power Supply Circuits And Troubleshooting

Lg Cm4350 Mini Hi Fi System How To Upgrade The Software Power

Lg Cm4350 Mini Hi Fi System How To Upgrade The Software Power

Servicing Lg Dvd Home Theatre Model Ht 155dd Electronics Repair

Servicing Lg Dvd Home Theatre Model Ht 155dd Electronics Repair

Manual De Servico Dvd Lg Dp132 By Portal Da Eletronica Issuu

Manual De Servico Dvd Lg Dp132 By Portal Da Eletronica Issuu