
Allen bradley soft starter wiring diagram. Allen bradley soft starter wiring diagram architectural electrical wiring layouts show the approximate places as well as affiliations of receptacles lights as well as irreversible electric solutions in a structure. Like subscribe and dont skip the ads click the notification bell to get a. Wiring diagrams ww introduction this booklet has been prepared as a guide to some of the useful ways allen bradleys manual and magnetic across the line starters may be applied. Collection of allen bradley soft starter wiring diagram.
Allen bradley soft starter wiring diagram whats wiring diagram. Variety of allen bradley soft starter wiring diagram. A wiring diagram is a streamlined traditional photographic representation of an electrical circuit. Soft starters low voltage.
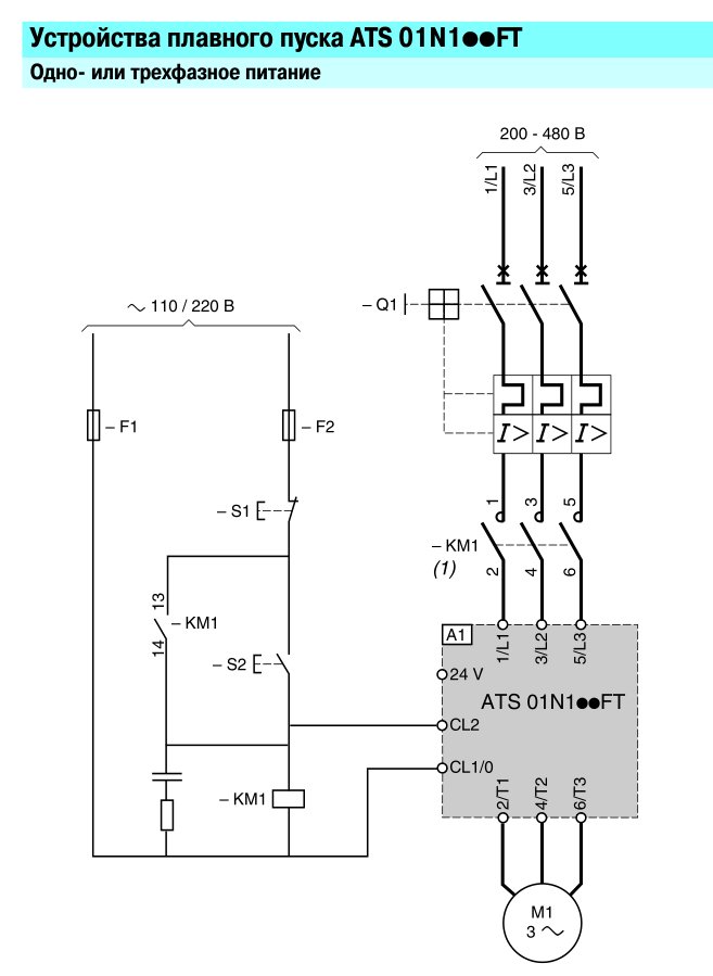
A wiring diagram is a simplified standard pictorial depiction of an electrical circuit. When applying these diagrams it is well to. It reveals the parts of the circuit as streamlined shapes and also the power and signal links between the tools. Our soft starters can be easily integrated into your intelligent motor control solution to offer higher productivity and shorter downtimes.
Our smart motor controllers are soft starters that are designed to help minimize cost by reducing overall system power requirements and wear and tear on equipment. It shows the components of the circuit as simplified shapes and the power and also signal connections between the devices. Soft starters low voltage our smart motor controllers are soft starters that are designed to help minimize cost by reducing overall system power requirements and wear and tear on equipment. It shows the parts of the circuit as streamlined forms and the power and signal connections in between the gadgets.
This video will show you how to wire soft starter and isolation contactor with soft start or soft stop function. A wiring diagram is a simplified conventional pictorial depiction of an electrical circuit. For a full description of the control modes available for each product type consult the appropriate product user manual. Smc 3 smc flex and smc 50 smart motor controllers control mode overview allen bradley smc controllers have multiple control modes available to control standard 3 phase induction motors depending upon the product selected.