
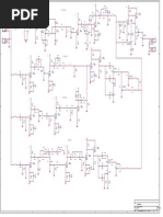
Bogner fish schematic. The fish preamp was created in 1989 90 and ushered in a new era of boutique design and tone. Here is a sound of bogner fish tube preamp brown channel marshall 9100 tubes poweramp the guitar is a custom built guitar with mahogany body and flame maple top mahogany neck and ebony. Guitarslinger21 oct 12 2007. Bognerecstacypdf 18 kb 2.
Also on this forum it was established that it has some errors especially on the brown channel. Any diy mods for the shiva anyone can tell me about. Bognertriplegiantpreamppdf 241 kb 3. I was just curious if anyone has the schematics to the bogner fish.
Yes that is the one that was presented on that forum. Looking to get maybe just a little more gain for solo sustain without a pedal. Hi there i search a bogner fish schematics thanks. Back to the main schematics index page bogner schematics file size.
Country strato shark and brown that covered a wide range of tones from crystalline clean to heavy modified amps tones all within a 2 space rack mountable chassis. The only bogner schematic i can find anywhere is a partial ecstacy schem.