Ge Washer Lid Switch Wiring Diagram


New Wiring Diagram For Ge Electric Motor Diagram Diagramsample

New Wiring Diagram For Ge Electric Motor Diagram Diagramsample

Ge Hotpoint Rca Washer Replace Diagnose Defective Lid

Ge Hotpoint Rca Washer Replace Diagnose Defective Lid

2

2

The pin on the lid switch pushes onto the lever of the switch to communicate to the machine that the washer lid is closed.

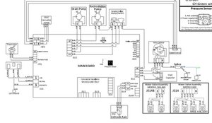
Ge washer lid switch wiring diagram. To run the washer through a full cycle with the lid open its necessary to install a jumper wire in the lid switch circuit. Collection of ge washer wiring diagram. W ire colors at the lid switch are yellow red and violet. Checking between red and yellow wire at the same board connector will show the continuity of the lid switch.

This video is intended to give you the general idea of the part replacement procedure. If youre attempting to troubleshoot your whirlpool washer you may need to operate the washer with the lid open. Atwilkeyeverett the lid lock and switch are together in one part. This feature can be disabled for testing purposes only.

Lid switch actuators are only found on washers with mechanical lid switches. The approximate resistance of the lock coil is 70 ohm from red violet from j512 board connector. The lid switch can cause the washer not to spin or wash. Lid switch with wire harness specifications this lid switch with wire harnesses is used in washing machines.

Step by step instructions on how to replace a lid switch assembly wh12x10334 for washer made by ge. It shows the components of the circuit as simplified shapes and the power as well as signal connections between the gadgets. This is done to reduce the risk of water spillage damage to the components or injury to the user. Lid switch bypassing ge washer do it yourself and save big money duration.

But it may just be the lids switch actuator. For safety reasons the washer wont enter the spin cycle while the lid is open. Lid switch bypassing ge washer this video will show you how to check replace the lid switch bypassing in a ge washer ge replacement parts httpsamznto3ekdbxt if you like to support my. Ge toploader washer was clicking relay like clicking sound after water filled but washer would not starting agitate or spin cycles and after a pause displaying end.

I assumed lid switch bad and so tried to bypass switch. 238 laundry center washer wont drain or spin fixed duration. The most common problem for ge washers not running is the lid switch. In this section of my ge washer not running repair guide i talk about machanical lid switches.

It requires 120 vac to activate the lock. My model has three wire lid ge model gtw680 bsj0ws.


Model Search Gtw330ask1ww

Model Search Gtw330ask1ww

Solved Ge Top Load Washer Gtw485asj4ws Washing Machine Ifixit

Solved Ge Top Load Washer Gtw485asj4ws Washing Machine Ifixit

Ge Washer Gtw460asj2ww Washer Parts Software Update Module Ge

Ge Washer Gtw460asj2ww Washer Parts Software Update Module Ge

Amazon Com Ge Wh12x10334 Lid Switch Assembly For Washer Home

Amazon Com Ge Wh12x10334 Lid Switch Assembly For Washer Home

39ac Washing Machine Door Interlock Wiring Diagram Wiring Library

39ac Washing Machine Door Interlock Wiring Diagram Wiring Library

Kenmore Mod 110 2130 He Washer Will Not Spin Out Unless I Drain

Kenmore Mod 110 2130 He Washer Will Not Spin Out Unless I Drain

Ge Older Style Washing Machine Help Appliance Aid

Ge Older Style Washing Machine Help Appliance Aid

Oo 4602 Diagram Moreover Whirlpool Washing Machine Parts Diagram

Oo 4602 Diagram Moreover Whirlpool Washing Machine Parts Diagram

2a0c4 Ge Cooktop Stove Wiring Diagram Wiring Library

2a0c4 Ge Cooktop Stove Wiring Diagram Wiring Library