Home Wiring Basics With Illustrations


What Is The Difference Between Schematic Diagram And Wiring

What Is The Difference Between Schematic Diagram And Wiring

Electrical Wiring Systems And Methods Of Electrical Wiring

Electrical Wiring Systems And Methods Of Electrical Wiring

Trailer Wiring Care Trailering Boatus Magazine

Trailer Wiring Care Trailering Boatus Magazine

If you try to strip wires using a knife instead of a stripper you probably will nick the copper and weaken the wire.

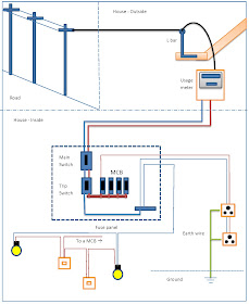
Home wiring basics with illustrations. In this article youll learn how to identify different electrical cable types and their use and how to determine the size of individual wires and their purpose. Most wiring in a home is either 12 gauge or 14 gauge. Before beginning electrical work gather a basic set of tools designed for wiring. The power is run through an electric meter which records how much energy is used in the home and is the basis for the monthly electric bill.

Twisting wires together using a pair of household slip joint pliers is difficult and the loose connection might come apart. Residential electrical wiring systems start with the utilitys power lines and equipment that provide power to the home known collectively as the service entrance. Basic home wiring diagrams fully explained home electrical wiring diagrams with pictures including an actual set of house plans that i used to wire a new home. When working with wiring always cut the power supply at the breaker box first before beginning any actual work.

The wire and cable aisle at your home center can be a pretty confusing place. Wiring examples and instructions with video and tutorials my site is dedicated to helping you get connected. Over 370 photos on the job instructional over 23 home circuits fully explained 55 essential electrical code topics the 6 most commonly used code tables 11 home wiring plans with circuit listings 28 wiring diagrams and illustrations. Wiring upgrades or remodeling complete home wiring over 400 pages including.


Electrical House Wiring Diagram Software

Electrical House Wiring Diagram Software

Electrical Wiring Systems And Methods Of Electrical Wiring

Electrical Wiring Systems And Methods Of Electrical Wiring

Secret Diagram Wiring Diagram Creator

Secret Diagram Wiring Diagram Creator

How To Read A Schematic Learn Sparkfun Com

How To Read A Schematic Learn Sparkfun Com

Electrical Wiring Systems And Methods Of Electrical Wiring

Electrical Wiring Systems And Methods Of Electrical Wiring

House Wiring Colors

House Wiring Colors

The Complete Guide To Electrical Wiring Eep

The Complete Guide To Electrical Wiring Eep

How To Read Electrical Drawing

How To Read Electrical Drawing

Wiring Diagram Read And Draw Wiring Diagrams

Wiring Diagram Read And Draw Wiring Diagrams