
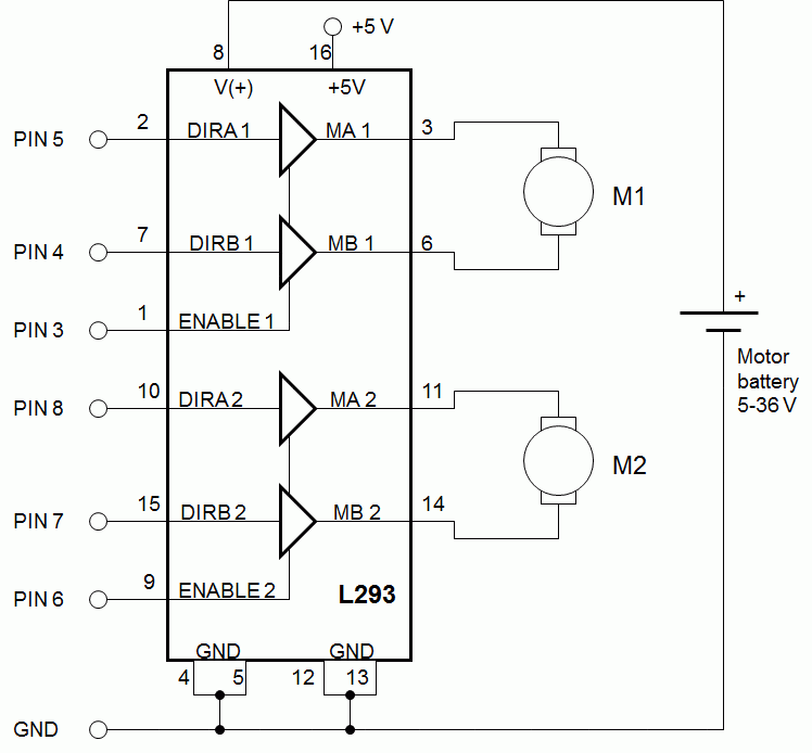
L293d motor driver circuit diagram arduino. While using this shield 6 analog pins which can be used as digital pins too pin 2 and pin 13 of arduino are free. One of the easiest and inexpensive way to control dc motors is to interface l293d motor driver ic with arduino. It can simultaneously control the direction and speed of two dc motors. The l293d is designed to provide bidirectional drive currents of up to 600 ma per channel at voltages from 45 v to 36 v at pin 8.
L293d is a 16 pin motor driver ic consist of quadruple half h drivers. Arduino motor control and pwm signal with l298n h bridge motor driver. With circuit diagram and arduino source code. The speed is controlled using a potentiometer connected to pin a0 and the direction of rotation can be changed with a pushbutton connected to pin 8.
Connect the pin 2 of l293d to the pin 6 of the arduino. The most commonly used motor driver ics are from the l293 series such as l293d l293ne etc. Connect the pin 3 of the l293d to one end of the motor. Using a motor shield.
L293d is a 16 pin motor driver ic. Connect the pin 1 of the l293d ic the pin 7 of arduino. The motor driver is a module for motors that allows you to control the working speed and direction of two motors simultaneously this motor driver is designed and developed based on l293d ic. L293d is a suitable device to use for stepper motors gear motors etcconnection circuit between arduino and icl293d arduino codethe ic l293d works with an.
How to use the l293d motor driver arduino tutorial. As the shield comes with two l293d motor driver chipsets that means it can individually drive up to four dc motors making it ideal for building four wheel robot platforms. The connections are given below. Control dc motors with l293d motor driver ic arduino if you are planning on assembling your new robot friend you will eventually want to learn about controlling dc motors.
First of all we will connect the l293d motor driver ic with the arduino. The l293d is a dual channel h bridge motor driver capable of driving a pair of dc motors or single stepper motor. This is designed to provide bidirectional drive currents at voltages from 5 v to 36 v. Motor driver act as an interface between arduino and the motors.
A motor driver is an integrated circuit chip which is usually used to control motors in autonomous robots. These ics are designed to control 2 dc motors simultaneously. The l293d is a 16 pin motor driver ic which can control a set of two dc motors simultaneously in any direction. In the case of using servo motor pins 9 10 2 are in use.